BMW E38 電折後視鏡維修
E38的後視鏡依車輛配備等級的不同有好幾種規格,比較常見的是8線及14線兩種,所謂的8線就是支援電調,後視鏡記憶功能及鏡片加熱,而14線就再增加電折及自動防眩光功能,相關的電路可以看下面:

14線再增加電折馬達的控制及防眩光功能,電路圖如下:


其中14線有兩個接頭,駕駛座是一個12 Pin X1128, 另一個2 PIN X1519,,這個在看線路圖的時候可以參考一下,另外在E39 的車款上有看過最陽春型的5線的後視鏡,也就是只有電調及鏡片加熱的功能,就是只有第一張圖的 PIN: 3,4,5,6,7 這幾根訊號,不過E38是否有這樣的後視鏡目前不確定,也許車友們可以分享一下。
之所以會想修理最主要是車上副駕的後視鏡在收折的時候有時會不做動,首先要把後視鏡由車上拆下來,這部分請車友們搜尋一下 Youtube, 已經有許多視頻, 要先拆門板,再拆後視鏡,下面這是其中之一可以參考:
https://www.youtube.com/watch?v=YN55azWUHa4
後視鏡拆下來之後要先把鏡片取下來,取下來的方式也很簡單,把鏡片向上抬起來,在鏡片的下方可以看到一個尖尖的的小突起:

用個一字起子,把這個突起是向右推(不論駕駛座側或是副架側都一樣向右),就會帶動鏡片後方的圓框,讓卡榫可以脫離,之後就可以把鏡片取下來,請看下面兩張鏡片反面的照片:



如果鏡片向上抬之後沒看到這個尖尖的突起,表示您的鏡片是卡上去的,這種鏡片就大力向外拔就可以把鏡片取下來了,如下面照片:

取下來之後可以看到後視鏡的前框有四個小螺絲(紅色箭頭所指)固定在鋁質的支架上面,把這四個螺絲拆掉就可以把前框取下來,外蓋的部分有四個卡榫(黃色箭頭所指)卡在支架上面,請看照片:

用一子起子把四個卡榫推開就可以把外蓋取下來,不過這四個卡榫不是很強壯,大部分的車上外蓋的卡榫斷掉的比較多,有很多車廠就用 Silicon 黏住就了事了,因此如果有碰到這狀況拆起來就會比較麻煩一點,對付Silicon 就是要用一點暴力向外拉應該就可以拆下來。前框及外蓋取下來之後要把控制收折的馬達外蓋先取下來才能夠拆到轉軸,請看照片:

馬達的外蓋是個黑色的塑膠,由三個螺絲固定,把這三個螺絲拆掉就可以把整個馬達的塑膠外蓋取下來,請看照片:

在取下來之前要把線先拉掉,不過線路的接頭是沒辦法穿過軸心的,所以要把電線由接頭內拆出來,這樣才能穿過軸心,或是暴力一點直接剪掉之後要組回去的時候再來焊接,其他的線路先拉掉之後再把那個馬達的電線防水塞先拉出來,馬達的電線也要先拉長一點,這樣塑膠罩子才拉得開,罩子取下之後就可以拉著馬達把整個照後鏡軸心的蓋子取下來,軸心是由一個黑色的卡簧卡在軸心上被彈簧頂住,這個彈簧的力量算是強的,在拆那個卡簧的時候先用個一字起子把卡簧向外推,之後再用尖嘴鉗取下來,拆的時候彈簧不要對著人,因為卡簧拆掉的時候彈簧的力量很大,有可能零件會飛出來,如果打到眼睛會有點危險,如果擔心零件飛出來,在拆之前可以先用個粗一點的束線帶先穿過軸心綁一下,這樣零件就不會飛出來,線路都拉掉之後幾個齒輪就可以輕鬆取下來了,總共有三個齒輪,請看下圖:



我目前看到的是最大的齒輪有磨損,正好之前有請廠商訂做了這個齒輪,請看下圖大齒輪新品:



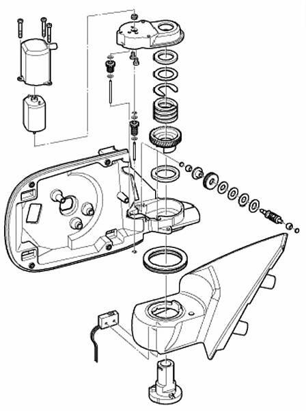
其餘兩個齒輪還有馬達在Ebay 上都可以買的到,我也有買,不過這次沒派上用場,就把壞的齒輪換掉,整個組裝的順序在網路上找了一仗爆炸圖可以參考一下,還算是清楚,請看下圖:

我買到的馬達及齒輪照片:

不過換好之後組裝有碰到個問題,在這邊撐了好久一直沒辦法破關,就是我說的那個套在軸心上的彈簧彈力太強,因此在組回去的時候一直沒辦法把彈簧壓下去讓卡簧可以卡在軸心上,試了很多方法都失敗,最後想了一個怪招,先用兩個鯉魚鉗左右夾住壓縮彈簧,之後用線把彈簧綁死,請看下圖:



讓彈簧高度處於壓縮狀態,也就是壓到最短的狀態,把這個壓縮狀態的彈簧套上軸心,這時候卡簧就可以非常輕鬆地套上去,套上之後用打火機把綁住彈簧的線燒掉,這樣彈簧就可以伸展開來把整個軸心撐得很緊就大功告成,請看下面的圖片:



組裝就是拆除的反向順序,前面講的剪斷的電線也要焊回去,這次用的是多功能的低溫焊錫熱縮套管,用熱風槍或是打火機加熱一次就可以達到焊接及密封的功能還不錯用,焊完之後也很美觀,請看下面圖片:



當然裝回去之前少不了一些清潔及潤滑的動作,組好之後就可以來試一下電折的功能是否正常,請看下面的 Video,動作正常。
不過在照後鏡修好要鎖上前框及外蓋的時候發現有一顆螺絲滑牙鎖不上,所以用個M4的螺絲攻把原本的M3螺絲孔擴孔同時供出新的螺紋再用M4的螺絲固定這樣就算完成:


接下來講一下鏡片的部分,其實E38/39 損壞的自動防炫光後視鏡片是可以再利用的,原廠E38/39配備的自動防炫光後視鏡片我個人覺得很好用,晚上後方有強光的時候會自動變暗,比較不會刺眼,但是用了一段時間之後就可能會失效,因為鏡片價格比較高,很多車友不想花錢,就直接貼一塊鏡片在外面,這種修復方式雖然省錢,但是防眩光及電熱的功能就失效,因為加熱是做用在最下面那塊鏡片,貼了新鏡片隔了一層膠要加熱到外面那層鏡片夠熱難度很高,其實有個方式可以修復不影響電熱功能只有防炫光功能失效,原廠防炫光鏡片結構是四層,最下面是加熱片,第二層是鏡片,第三層是液晶,第四層是透明玻璃,因此我們只需要把透明玻璃與最下面的鏡片分離,中間的液晶把它擦乾淨,就可以有一塊有電熱,但是沒有防炫光功能的鏡片,請看下面的說明:

要拆鏡片之前怕玻璃破裂傷人,先用透明膠帶貼在鏡片外層:

拆掉塑膠外框:

把鏡片周圍的導體還有封膠全部拆除:

拆完之後用美工刀切入液晶層,就可以把鏡片分離,分離之後如果有液晶,用衛生紙把液晶擦乾淨,不過大多數的狀況是液晶都已經漏光光

分離之後下面的鏡片用布輪打磨一下就會恢復正常鏡片的亮度:





之後把塑膠外框再黏回去就可以上車正常使用,只是少了防眩光的功能,雖然不完美但可以省一點錢,而且也比另外貼付鏡片要好看一些,到這邊後視鏡維修大功告成,謝謝觀賞!
留言列表

