SAAB 9-5 手動座椅升級電動記憶座椅Part 2:SAAB 9-5 Memory Seat Retrofit Part 2:
今天要來進行的是第二部分,就是有關於記憶座椅線路連接的相關說明, 但是在詳細說明電路之前必須要把副駕駛座的部分再多做一些解釋, 因為原本的電動座椅在副駕駛座的部分是沒有腰靠調整的功能, 而我的手動座椅的泡棉墊及皮面在副駕駛座原本有腰靠調整,所以在靠近右側部分的皮面有一個洞, 因此要把原本手動座椅上面腰靠調整的組件整個移植到電動座椅的骨架上面, 移植的方式也很簡單,在椅背的左右兩側有兩個銀色的金屬件有螺絲固定,請看下面的照片:



把這兩個組件拆下來移到電動座椅的骨架上面,還有調整旋鈕的部份也移過去就可以, 另外原本副駕駛座側面固定調整開關的塑膠飾板,內部的支撐腳有破損需要做一些修補, 我有用迴紋針的金屬線,用尖嘴鉗加工成接近原本的形狀來幫助固定,第一張照片原本是個ㄇ字的結構, 修復如下:

第二張是固定的螺絲孔, 當初使用的時候受力太大, 塑膠有裂開, 用AB膠補強之後再鎖上固定:

這兩個部分都做好之後,就可以把泡棉墊套上去, 這樣子就完成了副駕駛座電動椅的部分, 再來就是要進行我們電動記憶座椅的配線, 要配線之前當然要先把線路查清楚, 查線的方式很簡單,我們先把電動椅的母座的Pin 腳先全部列出來, 因為母座的Pin 腳就是連到座椅本體上面相關功能, 因此電動座椅要能夠正常做動,這些訊號都必須要連接上, 再來把原本車身端手動座椅線組的公 Pin 訊號也全部列出來, 這兩個訊號一比對之後就可以列出我們需要補上的線路, 因此下面的照片就把車身端公 Pin還有座椅端母Pin的訊號全部都照出來讓大家可以比對,照片如下:




駕駛座PIN 腳比較表:
|
駕駛座手動椅公頭 |
駕駛座電動椅母頭 |
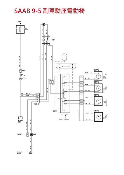
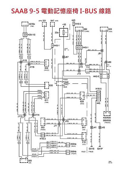
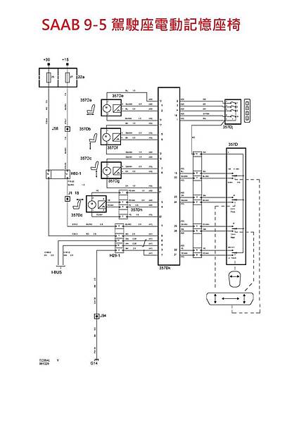
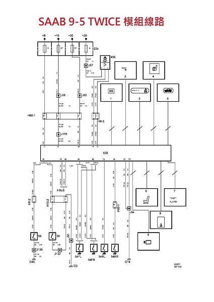
功能說明, 詳細電路圖放在最後面, 有興趣的車有可以參考線路圖: |
|
|
1 |
FUSE BOX 22A-NO:25 Battery +12V Always (Memory seat) (紅色), 我們由FUSE BOX NO:25後方接線 |
|
2 |
2 |
GND (Memory seat) |
|
3 |
3 |
Heated Seat Control 1 |
|
|
4 |
FUSE BOX 22A-NO:27 +12V at on & Start position (Memory seat) (藍/紅), 我們直接連到TWICE PIN 16 |
|
6 |
6 |
Heated Seat GND 1 |
|
7 |
7 |
SRS |
|
9 |
9 |
SRS |
|
10 |
10 |
Heated Seat Control 2 |
|
12 |
12 |
Seat Belt Buckle Switch |
|
|
15 |
I-BUS (Memory seat) 直接連到TWICE PIN 38 (綠色) |
|
16 |
16 |
Seat Belt Buckle Switch |
|
|
19 |
I-BUS (Memory seat) 直接連到TWICE PIN 15(白色) |
|
22 |
22 |
Heated Seat Gnd 2 |
標示黃色是須要補上的線路, 上面是駕駛座的部份, 所以須要補上四條線 PIN 1, 4, 15, 19, 要接過去的部份有寫在說明的那一欄, 再來是副駕駛座的部份, 照片如下:



副駕駛座PIN 腳比較表:
|
副駕駛座手動椅公頭 |
副駕駛座電動椅母頭 |
功能說明, 詳細電路圖放在最後面, 有興趣的車有可以參考線路圖: |
|
|
1 |
FUSE BOX 22A-NO:25 Battery +12V Always (Memory seat) 先接到駕駛座下方, 與駕駛座PIN 1接上之後, 再連到FUSE BOX NO:25後方接線 |
|
2 |
2 |
GND (Memory seat) |
|
3 |
3 |
Heated Seat Control 1 |
|
6 |
6 |
Heated Seat GND 1 |
|
7 |
7 |
SRS |
|
9 |
9 |
SRS |
|
10 |
10 |
Heated Seat Control 2 |
|
12 |
12 |
Seat Belt Buckle Switch |
|
13 |
13 |
副駕駛座椅是否有座人的感應訊號1 |
|
18 |
16 |
Seat Belt Buckle Switch |
|
18 |
18 |
副駕駛座椅是否有座人的感應訊號2 |
|
21 |
|
電動椅上沒有這個訊號, 用途不明, 不須連接 |
|
22 |
22 |
Heated Seat Gnd 2 |
|
|
28 |
To H29-1 (駕駛座椅接頭) PIN 28, 但駕駛座電動椅上並沒有接這條線, 因此不須要連接. |
|
20 |
29 |
由TWICE 模組PIN 3來的控制訊號, 負責座椅電源繼電器的切換, 後面文章內會說明我們的接法 |
黃色的部份是須要補上的電路, 請看上表, 差異有四根訊號, PIN 1, 21, 28, 29, 但實際查了線路之後我們只須要接兩條線, 就是PIN 1, 29, 不過後來在接線的過程中因為PIN 29最後是要接到TWICE模組上, 但是我車上的那個TWICE模組的接頭PIN 3上面完全沒有金屬接點, 我也拆不到這個零件, 後來想了一個變通的方式, 後面會說明, 其實這邊只須要接PIN 1的電源就可以了, 以上就是我們須要補上的線路的相關說明, 另外也把原本手動座椅的母座照片也讓大家參考一下, 如下:


接下來就是要把缺少的線路補上, 要補充線路我們必須要有與原廠連接器相同的Pin腳,這樣的Pin腳才可以插到原本車身端的線組上面, 要取得這些公Pin的材料也很簡單,就是從肉車的連接器上面來拆解, 依原廠的設計與應該可以用特殊的工具把他退Pin推出來,因為沒有特工, 推了好久都沒辦法退出來, 為了保存Pin腳的完整性,最後決定把外面的固定塑膠組件直接破壞掉把Pin腳可以完整的拿出來,照片如下:




Pin腳拿出來之後就可以直接插到原本車身端的連接器上面,要插入增加的Pin腳的時候務必要確定是插到正確的腳位上沒有錯誤,因為一但插錯很難再退出來, 經過比對之後副駕駛座需要多配兩條線,請看副駕駛座配線的照片:

上面是剛把公PIN加入, 下面是已經把電線接上穿入中央扶手了:

下面這張是已經穿過中央扶手到了駕駛座那一側:

駕駛座需要多配四條線, 配線的方式基本上我們是走原廠預留的走線管道,可以由副駕駛坐穿過中央扶手下方走到駕駛座的下面,這邊利用一張車友拍的肉車的照片來示意一下,這個可以看到中間有一大把線組基本上我們走線的方式就是延著那把線組來走, 照片如下:

副駕駛的線走過來之後再來就是要配駕駛座的線組, 其中最難配的就是battery +12V Always這條,因此要由Fuse box後面來接這條線, 要拆掉Fuse Box首先要把煞車及油門踏板上面的飾板拆掉,這部份有三顆螺絲,另外還有固定Fuse Box也有另外三個螺絲這幾個都拆掉之後就可以把Fuse Box 整個向下方推出來, 這時候就可以連接編號第25號Fuse靠下面的兩根紅色線其中任一根都可以,照片如下:


接好之後剩下的3根線就都在TWICE控制模組的接頭上面了, 請看下面的照片:

總共有兩根I-Bus及一根電源線, 這些線都接好之後,把駕駛座及副駕駛座的相對訊號與這些線路接上就可以了,駕駛座線路配好之後如下:

再來要說明一下為何我們副駕駛座的PIN 29可以不須要接, 因為這個訊號用來控制副駕駛座上的一個繼電器來提供電源, 原廠的設計是要由這個訊號來切電電源, 避免不必要的耗電, 但實際上我們可以直接供電給副駕駛座, 因為這個座椅只有電動馬達及開關而沒有記憶模組, 因此直接連到+12V Battery 並不會造成系統耗電, 只有操作開關的時候才會耗電, 所以我們直接把繼電器的PIN 30 & 87 用電線短路再插回去這樣就不須要連接PIN 29 到Twice PIN 3了, 照片如下:


這樣就算大功告成了, 來看一下完工的照片:

安裝好之後可以來試一下記憶的功能, 要試的時候要先做記憶的動作, 之後引擎熄火, 鑰匙拔出來, 之後再發動, 看記憶的位置是否有存起來, 如果記憶功能都正常表示電源都有接對, 如果I- BUS 訊號正常, 記憶成功的時候可以聽到有個提示的訊號音出來, 這個也有就表示線路完全正確了, 另外座椅拆卸之後如果有發動過, 會在儀表上有SRS的錯誤訊息, 這個要回原廠用Tech 2才能夠消除, 消除完畢之後就算全部完工了.

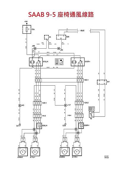
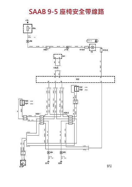
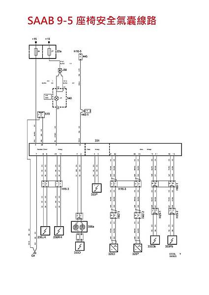
另外我把相關的電路圖放後面給各位參考, 想看的車友如果Blog 上不清楚再告訴我, 我可以寄原始PDF出來, 後面共有十張線路, 所以這次的記憶座椅修改到這算大功告成, 謝謝收看!










留言列表

