SAAB 9-5 手動座椅升級電動記憶座椅Part 1: SAAB 9-5 Memory Seat Retrofit Part 1:
我們家另外一台Saab 95 2.0 EP的車款,車上原廠搭配的是手動座椅,感覺用起來不太順手, 因此想要把他改裝成電動記憶座椅, 正好前一陣子有個車友拆賣他的料車,有賣他的電動記憶座椅, 所以用還算合理的價格取得這一組, 不過價格不高當然是有原因的, 因為他的座椅皮面的狀況不是很好, 駕駛座的部分有多處破損,請看照片:




當初我的想法是可以把我的手動座椅的皮面交換過去, 這樣就兩全其美了, 因此我把這個改裝分成幾個部分, 第一個部分是座椅皮面的交換, 還有讓電動調整的功能可以運作, 第二個部分才是完整的把記憶功能的線路接好.
第一個部分說起來簡單,但是完全是苦工,因為要拆掉四張座椅,然後再把兩張皮面及泡綿墊做交換, 接下來我們就開始吧, 先看一下原本的記憶座椅駕駛座的狀況,如同前面說的包括坐墊及椅背的皮面都有破損, 要拆之前請大家看一下下面這一段YouTube的video,這樣大概就可以知道要怎麼拆了:
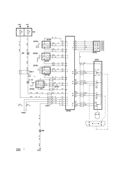
不過真正動手要拆之前還是要先讓座椅能調整, 這樣會比較好拆, 先由副駕駛座開始, 看了一下椅子下的線路,如下圖:

就是圖中H29-2的接頭 PIN 1:接+12V, PIN 2 & 29: 要接地就可以動作了, 電源線有經過一個繼電器, 這個繼電器有一個控制線要接地才會ON, 這條控制線是綠色黃色的, 車身端點接線的顏色是綠色白色, 因此這條線要接地才會供電, 所以照下圖的接法椅子就可以調整了, 請看相關的照片:





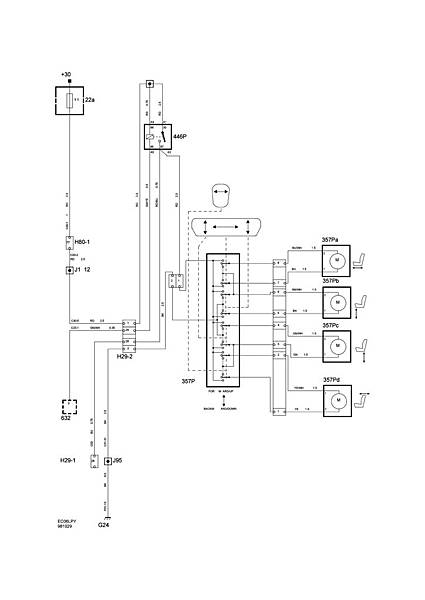
再來看駕駛座的電路, 如下圖:

最重要的是PIN 1 & 4 要有電+12V, PIN 2接GND就可以動作了, 照片如下:

接下來就要拆座椅左右兩邊的 塑膠飾板, 放拆之前要先把安全帶線組固定的束線帶剪掉, 請看下面的照片:




還有固定後座椅背皮面的彈性帶要鬆開, 請看下面的照片:

鬆開之後就可以把側飾板的固定螺絲拆掉, 拆掉之後就可以把塑膠的飾板取下來,下面還另外一顆螺絲, 這邊拍的是靠近左側的飾板及螺絲,右側相對的位置有另外一個飾板及固定螺絲要拆卸,這邊就不再重複了,請看下面的照片:


左右兩邊拆下來之後,在前方有兩顆大的螺絲是固定這個泡棉坐墊的部分 , 請看下面的照片:

這兩個螺絲拆掉之後, 在把坐墊後側有兩塊皮面,一塊用膠條固定在下方,另一塊皮面也是用膠條勾住上方鬆開之後應該就可以把整個座墊的部分整個取下來, 請看下面的照片:


座墊的泡綿部份要取下來之前下方固定線組的束帶要剪斷, 請看下面的照片:


整個拆下來的座墊泡綿組件如下方照片:




我有特別把四個固定螺絲的位置標示出來,這樣大家要拆的時候比較清楚相對位置, 座墊部分拆完之後再來就是要拆椅背的部分, 椅被的部份要拆先由後面置物袋左右兩側開始拆,他是用兩條膠條互相卡住,把膠條拉出來之後就可以把整個椅背的皮面掀開來, 請看下面的照片:

再來就是要拆頭枕的部分, 頭枕先把卡榫壓住昇到最高, 再來把沒有卡榫的那側用一個螺絲起子壓住隱藏的卡榫就可以把整個頭枕拉出來,請看下面的照片:

頭枕拉出來之後整個椅背的泡綿及皮面就可以向上掀起來,要掀開之前左右兩側的彈簧要先拆下來, , 請看下面的照片:



要掀開之前椅背的皮面有兩個金屬鉤子,勾在椅背的支架上面要先把他鬆開 , 請看下面的照片:


鬆開之後整個皮面就可以向上掀起來了, 掀開到最上面要把固定頭枕的兩個塑膠圓筒狀的套管拆掉, 他的設計是有個小卡榫卡在椅背支架的金屬管上,要由座椅正前方用一個小起子往下探,到了卡榫的那個缺口用起子往下壓,讓卡榫釋放之後就可以把這個圓桶裝的塑膠管向上方拉出來, 這個用文字比較難形容請直接看照片吧, 這照片是拆掉後才拍的, 沒拆之前很難拍到這個部份:

拆開後就可以看到SAAB專利的座椅安全結構,這個結構當後方受到撞擊的時候會把頭枕往前推這樣就可以避免頸部甩鞭效應對人體造成的傷害, 請看下面的照片, 就椅背中央白色那一條還有機構聯動到頭枕的套管 :

下面這張照片就是這個座椅拆除之後剩下的座椅支架的部分, 還有就是拆下來舊的泡綿, 可以看到破損非常的嚴重, 請看下面的照片:


因為我們要互換皮面所以要把皮面狀況比較好的手動座椅也一樣如法炮製,下面是手動椅拆空之後的支架照片:

接下來要把泡棉座墊及椅背的部分互換, 下面這張照片是手動座椅及電動座椅的座墊部分, 請看下面的照片:

可以看到手動座椅的下面有一個固定連接器的鐵片,這個部份要拆掉,其他的尺寸是完全一樣的,因此可以直接整個皮面及泡綿墊互換過去, 要互換裝回去就是反向動作,這邊就不詳細說明了,只是在安裝的時候要注意有一些固定的彈簧要卡好不要漏掉了, 請看下面的照片:


所以前面說這個是苦工,因為總共要拆掉四張座椅,才能把原本皮面狀況比較好的手動座椅換到皮面已經磨損的電動椅支架上面, 做完這些工作已經花了一整天的功夫,所以先想辦法把改好的座椅先裝到車上,讓他先可以使用,至於記憶的功能要可以動作,就等第二部份再來討論, 正如同前面所講的要讓駕駛座的電動功能可以使用其實就是有兩條線要接+12V就可以了, 所以我們用一個點煙器的插頭先暫時接電,讓這個電動座椅可以使用,相關的照片如下請參考:




目前這一個修改先暫時告一段落,在第二部分文章會討論如何連接線路讓座椅的記憶功能可以動作,謝謝收看!
留言列表

